Кроме преобразователя расхода к тепловычислителю ВКТ-9 необходимо выполнить подключение датчиков температуры (они же — термопреобразователи сопротивления).
Для питания преобразователей температуры не требуется внешних источников, так как питаются датчики от самого вычислителя тепла, их энергопотребление незначительно. Подключить преобразователь температуры можно по одной из предложенных схем:
- Двухпроводная схема (не разъёмный двухжильный кабель)
- Четырехпроводная схема
Двухпроводная схема проста в подключении. Но есть существенный недостаток – для работы с ВКТ-9 необходимо использовать только неразъемный двухжильный кабель.
При четырехпроводной схеме длина линий может быть до 300 м, но, по сравнению с двухпроводной схемой, требуется больше соединительных проводов.
Мы рекомендуем использовать четырехпроводную схему. Этот вариант самый надежный, несмотря на увеличение количества используемых проводников.
Рассмотрим подключение термосопротивления к модели ВКТ-9-01 на примере распространенной двух-трубной системы отопления. Трубопроводы Тр1 и Тр2 объединены в одну тепловую систему ТС1. Для подключения используется подобранная пара датчиков температуры (комплект), например, КТСП.
Сокращение КТСП расшифровывается как комплект термосопротивлений. Пара подбирается с целью минимизации погрешности.
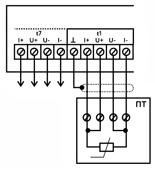
Подключение к тепловычислителю производится по четырехпроводной схеме: на контакты t1-трубопровод подачи и t2-обратный трубопровод (см. рисунок 1).

Необходимо соотнести нумерацию контактов в подключенном датчике с контактами (I+, U+, I-, U-) в клеммнике на ВКТ-9 (t1 и t2) (рисунок 2). Для подключения рекомендуем использовать экранированные провода, например, ES-04S-022.

Термосопротивление монтируется на трубопровод в строго установленном месте. Сначала в трубопроводе вырезается отверстие под бобышку (рисунок 3). Затем бобышка приваривается к трубопроводу, в нее закручивается гильза, наполненная маслом, в гильзу погружается датчик температуры (чувствительный элемент), который фиксируется в гильзе винтом.
Длина линий связи до 300 м, пример провода для подключения: ES-04S-022.

Купить тепловычислитель ВКТ-9 и другое оборудование Теплоком со скидкой можно по ссылке.

