Счетчик электрической энергии НАРТИС-100 в дистанционном режиме работы обеспечивает обмен информацией с компьютером через интерфейсы связи RS-485, модемы или оптический порт.
В счетчике НАРТИС-100 функционируют от двух до трёх независимых интерфейсов связи:
- оптопорт
- RS-485
- GSM
- RF
Все однофазные многотарифные счётчики электрической энергии Нартис-100 имеют оптический порт
По цифровым интерфейсам счетчика Нартис-100 реализована передача данных в формате протокола CTO 34.01.5.1-006-2017 ПАО «Россети» (СПОДЭС) с приоритетом оптопорта. Физический интерфейс оптопорта соответствует ГОСТ IEC 61107.
Скорость обмена информации при связи с ПУ по цифровым интерфейсам (RS-485 и оптопорт), не менее → 9600 бит/с.
Формат данных при обмене информацией с компьютером по последовательным интерфейсам (оптопорт, RS-485):
- 1 стартовый бит
- 8 бит данных
- 1 стоповый бит
Дистанционный режим
Доступ к счетчику Нартис-100 в дистанционном режиме возможен через оптический порт, интерфейс связи RS-485 и модемы.
Поскольку действия по изменению режимов и параметров работы счетчика не должны осуществляться произвольно и должны строго контролироваться эксплуатирующими организациями, доступ к счетчику должен предусматривать защитные меры по возможным несанкционированным действиям со счетчиком.
При работе с последовательным интерфейсом предусмотрена парольная защита при выполнении всех возможных команд. Есть два пароля – пароль на чтение и пароль на конфигурирование.
Подробнее про заводской пароль и его замену читайте >>> здесь
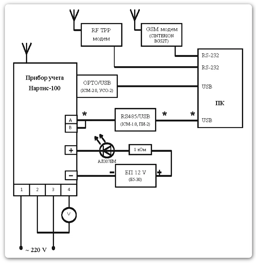
Схема подключения счетчиков НАРТИС-100 к компьютеру

После подключения счетчика электрической энергии Нартис-100 к компьютеру согласно схемы, установите программу конфигурирования счетчиков НАРТИС «Meter_config.exe».
Счетчик может работать в трех режимах: публичном, режиме чтения и режиме конфигуратора. Тип клиента выбирается в подразделе «Параметры подключения» раздела «Настройки» основного меню программы.
Для смены режима необходимо отключить счетчик и возобновить подключение после ввода пароля.
Конфигурирование интерфейсов
Конфигурирование интерфейсов осуществляется в подразделе «Интерфейсы» раздела «Конфигурирование» основного меню программы ПО MConfig (Meter_config.exe).


