При монтаже счетчика Меркурий 230 АМ на месте эксплуатации диаметр подключаемых к счетчику проводов должен выбираться в зависимости от величины максимального тока нагрузки в соответствии с правилами устройства электроустановок.
Слабая затяжка винтов клеммной колодки, а также использование многожильного провода без наконечников может явиться причиной выхода счетчика из строя и причиной пожара.
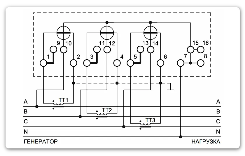
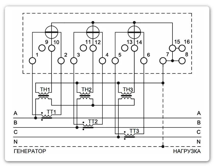
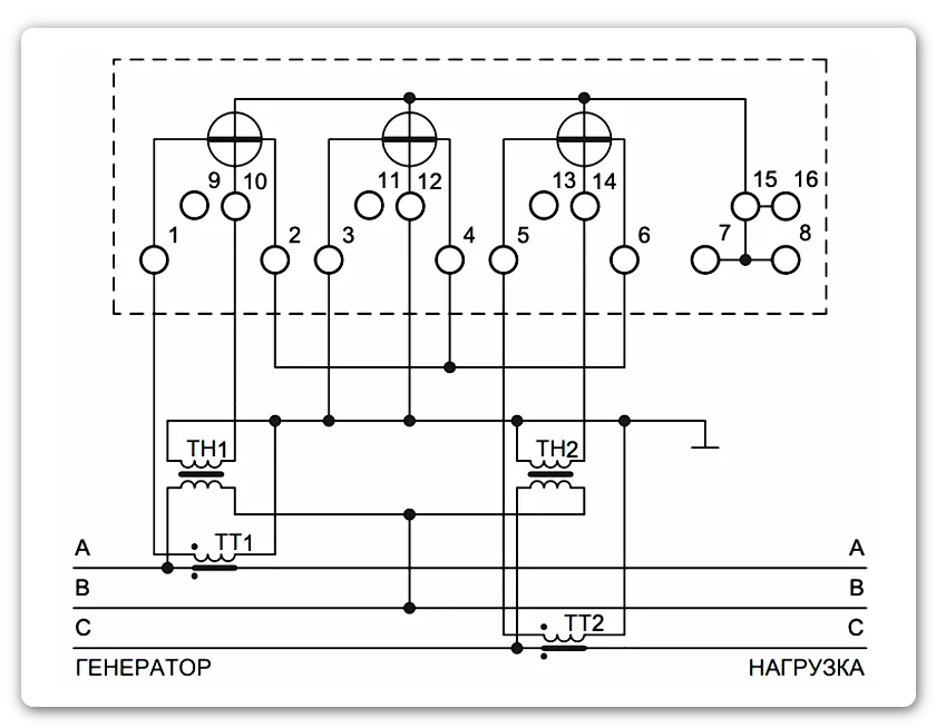
Схемы подключения Меркурий 230 AM







- Габаритный чертеж счетчика Меркурий 230 АМ

