Как подключить трехфазный трансформаторный счетчик через испытательную колодку

⎋ Подключение трехфазного трансформаторного счетчика через испытательную клеммную колодку. Схема подключения.

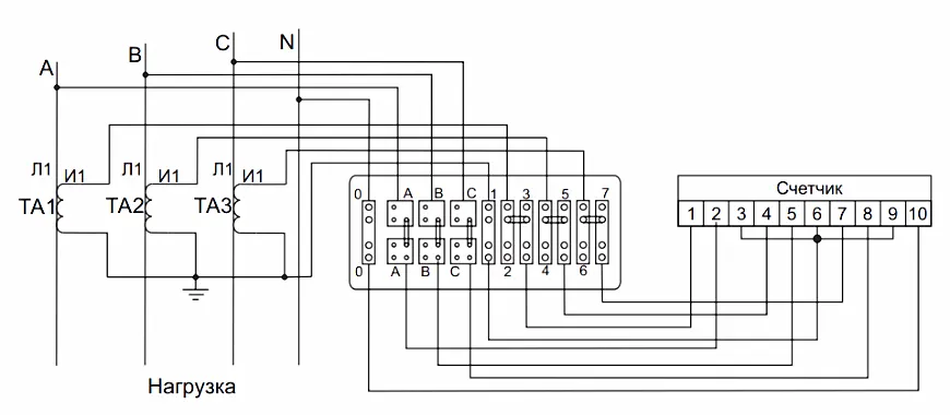
Подключение трехфазного трансформаторного счетчика через испытательную клеммную колодку необходимо осуществлять согласно приведенной схемы подключения:

Схема подключения трехфазного трансформаторного счетчика через испытательную клеммную колодку
Схема подключения трехфазного трансформаторного счетчика через испытательную клеммную колодку
Оцените статью
Добавить комментарий