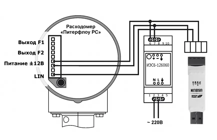
Подключение преобразователя интерфейсов USB–LIN (Термотроник) к расходомеру Питерфлоу выполняется трёхжильным электрическим кабелем по схеме присоединения (питание осуществляется от источника питания расходомера).

Импорт данных из расходомера Питерфлоу выполняется стандартной программой «Архиватор» или мобильным приложением «TTM»
Для работы интерфейса требуется установка драйвера (скачать). После установки драйвера адаптер воспринимается Windows как виртуальный COM-порт.
☞ Больше информации в руководстве по эксплуатации адаптера USB–LIN

